Jump to content

Parking brake for 1200 coupe


Ssxa

Recommended Posts

Anybody have a diagram or pics of how the parking brake is hooked up and routed for a 1973 1200 coupe? My car was missing all of the parts and I'm trying to get it operational. I bought a handle and know it usually uses a cable that ties into a junction with two cables that attach to the rear brakes. I don't see where the cable goes from the handle and how it routes out from the inside. 

Link to comment
  • Replies 3
  • Created
  • Last Reply

Top Posters In This Topic

Top Posters In This Topic

Posted Images

http://datsun1200.com/modules/mediawiki/index.php?title=Hand_Brake_Part_Numbers

http://datsun1200.com/modules/mediawiki/index.php?title=Rear_Axle

This will give a better idea where the cables go. http://datsun1200.com/modules/mediawiki/index.php?title=Leaf_Springs

This one the picture at the top shows how cables are routed.

Hope this helps, I would take pictures but rear end is out of my 1200 at the moment.

  • Like 1
Link to comment

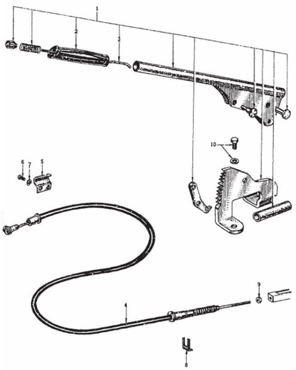
The 1200 handbrake handle cable goes through a hole in the floor sheetmetal underneath the car (below the back seat)

21610.thumb.jpg.911930e02352406f9e226def9d24c08a.jpg

Connects to the differential cable (#1) which goes through a splitter (#2, #3). The splitter is bolted to the rear of the axle housing

 

9389.jpg.369ea826ee3d9a321385e5e3814320bf.jpg

 

  • Like 1
Link to comment

Join the conversation

You can post now and register later. If you have an account, sign in now to post with your account.
Note: Your post will require moderator approval before it will be visible.

Guest
Reply to this topic...

×   Pasted as rich text.   Paste as plain text instead

  Only 75 emoji are allowed.

×   Your link has been automatically embedded.   Display as a link instead

×   Your previous content has been restored.   Clear editor

×   You cannot paste images directly. Upload or insert images from URL.

Loading...
×
×
  • Create New...

Important Information

By using this site, you agree to our Terms of Use.